Duplaollós emelő
Ön itt áll: Főoldal » Termékek » Személygépjármű javítás » Emeléstechnika » Duplaollós emelő


 
    
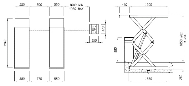
Werther Emelők
Rendelési kód: Stratos S36
Prospektus letöltése
 
Duplaollós emelő berendezés, rámpa hossz 1940mm. Terhelhetősége 3,6 to., emelési út 1850 mm, emelési idő 45 mp, levegő igény 6-8 bar, 3 kW -230-400V/50Hz motorteljesítmény. Modern emelő! Tekintse meg a prospektust a fenti jelre kétszer kattintva. Az emelő árát az akcióink menüpont alatt találhatja, a téli akcióink között. ADOBE ACROBAT READER szükséges a megnyitáshoz.
 
    
Werther Emelő
Rendelési kód: Stratos R
Prospektus letöltése
 
Duplaollós emelő berendezés, rámpa hossz 2000mm. Terhelhetősége 3,0 to., emelési út 1850 mm, emelési idő 30 mp, süllyedési idő 40 mp, levegő igény 6-8 bar, 3 kW -230-400V/50Hz motorteljesítmény. Modern emelő! Tekintse meg a prospektust a fenti jelre kétszer kattintva. Az emelő árát az akcióink menüpont alatt találhatja, a téli akcióink között. ADOBE ACROBAT READER szükséges a megnyitáshoz.